Sae Han Rotary Joints
ROTARY JOINTS
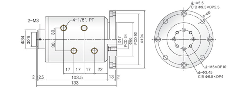
- 4POT 气压及油压用
- 4 Pot For Air & Hydraulic


- 技术资料
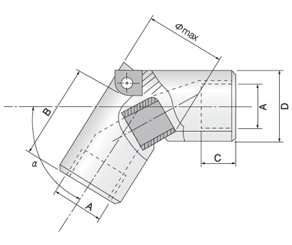
- 虹吸弯管
- 主要使用在狭窄空间、无法安装普通旋转接头的各种设备。前提条件为,许可略有的泄漏。至φ200的轴,以定制为原则。
- 水平管材和垂直管材因使用Pin连接,所以可自由弯曲。采用环形密封,采用Teflon Seal密封。虹吸弯头是固定型虹吸,推荐使用在φ500以上的卷辊。使用造纸用卷辊为60"时,请使用200MPM以下的虹吸弯头。
-
- 饱和蒸汽表
